Hurst Lightning Rod Floor Shifter

A Cool Idea At The Time The Hurst Lightning Rods Shifter Mac S Motor City Garage

A Cool Idea At The Time The Hurst Lightning Rods Shifter Mac S Motor City Garage

Phscollectorcarworld Hot Options Hurst Lightning Rods 1983 Hurst Olds Edition Cutlass

Phscollectorcarworld Hot Options Hurst Lightning Rods 1983 Hurst Olds Edition Cutlass

Hurst Olds Lighting Rod Shifters Hurst Car Old Classic Cars Old Cars

Hurst Olds Lighting Rod Shifters Hurst Car Old Classic Cars Old Cars

Oldsmobile G Body Mailing List

Oldsmobile G Body Mailing List

Anyone Running Hurst Lightning Rods In Their Truck The 1947 Present Chevrolet Gmc Truck Message Board Network

Anyone Running Hurst Lightning Rods In Their Truck The 1947 Present Chevrolet Gmc Truck Message Board Network

Hurst Lightning Rod Shifter Position Diagram Lightning Rod Oldsmobile Rat Rod

Hurst Lightning Rod Shifter Position Diagram Lightning Rod Oldsmobile Rat Rod

Hurst Lightning Rod Shifter Position Diagram Lightning Rod Oldsmobile Rat Rod

Hurst proudly maintains a wide variety of exceptional shifter products for the performance enthusiast including automatic shifters legendary hurst manual shifters hurst shifter knobs and shifter handles.

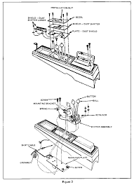
Hurst lightning rod floor shifter. This gadget employed three shift levers to accomplish everything that a single lever could do. Hurst shifter mounting plates instructions. The hurst lightning rod floor shifter was introduced in the 83 h o.

By 1983 the day of the muscle car was long gone but there are some really interesting things about these hurst olds including the lightning rod shifter and overdrive transmission. Save hurst lightning rod shifter to get e mail alerts and updates on your ebay feed. Hurst 3850006 hurst 3850007.

Chrome 15 wheels fitted goodyear eagle gt tires and a power bulge hood and rear spoiler gave the car a purposeful look. 4 speed shifter mechanisms. See search results that fit your vehicle.

Just a quick take on the basic operation of a triple shifter. Over the years hurst has been the oem shifter supplier for the pontiac gto plymouth barracuda plymouth super bird ford mustang boss 302 ford mustang shelby gt500 kr oldsmobile amc. They are based on the rear wheel drive g platform introduced in 1978.

I got my thoughts mixed up explaining the shifting sequence s but hopefully it makes sense. Tell us about your vehicle to find the right parts faster. Vintage nos hurst 3spd automatic lightning rod shifter kit olds chevy ford mopar.

1983 oldsmobile hurst lightning rods designed for drag racing the amazing hurst lightning rod shifter lets drivers go through gears on their automatic transmissions one shift knob at a time. For its 15th anniversary edition the 83 h o came only in black with silver rocker panels. Take the hurst lightning rods an aftermarket performance shifter marketed in the 1980s.

My 1984 Hurst Olds Lightning Rod Shifters Youtube

My 1984 Hurst Olds Lightning Rod Shifters Youtube

Kilduff Lightening Rod Shifter Youtube

Kilduff Lightening Rod Shifter Youtube

1983 84 Lightning Rod Shifter Tag Hurst Olds Dr Decal

1983 84 Lightning Rod Shifter Tag Hurst Olds Dr Decal

Bangshift Com Hurst Lightning Rods

Bangshift Com Hurst Lightning Rods

Hurst Olds Lightning Rod Part Number Question Gbodyforum 78 88 General Motors A G Body Community

Hurst Olds Lightning Rod Part Number Question Gbodyforum 78 88 General Motors A G Body Community

Hurst Olds With Lightning Rod Shifters Classic Cars Muscle Muscle Cars Best Muscle Cars

Hurst Olds With Lightning Rod Shifters Classic Cars Muscle Muscle Cars Best Muscle Cars

Hurst Lightning Rods Three Speed Shifter Complete Set Ford Chevrolet Chrysler For Sale Online Ebay

Hurst Lightning Rods Three Speed Shifter Complete Set Ford Chevrolet Chrysler For Sale Online Ebay

Vwvortex Com The Most Confusing Shifter Ever Made Hurst Olds

Vwvortex Com The Most Confusing Shifter Ever Made Hurst Olds

Triple Stick Shifter 1983 Hurst Olds Cutlass

Triple Stick Shifter 1983 Hurst Olds Cutlass

Sell Hurst Lightning Rods Shifter 3 Speed Auto Motorcycle In Cedar Hill Missouri Us For Us 300 00

Sell Hurst Lightning Rods Shifter 3 Speed Auto Motorcycle In Cedar Hill Missouri Us For Us 300 00

1984 Hurst Olds Specifications

1984 Hurst Olds Specifications

1984 Hurst Oldsmobile With Lightning Rod Shifter And T Tops

1984 Hurst Oldsmobile With Lightning Rod Shifter And T Tops

Oldsmobile Hurst Cutlass Oldsmobile Classic Cars Muscle Custom Cars

Oldsmobile Hurst Cutlass Oldsmobile Classic Cars Muscle Custom Cars

Kilduff Lightning Rods Youtube

Kilduff Lightning Rods Youtube

Source : pinterest.com