|
Radiant Floor Heating Diagram

All the necessary components of a well engineered and efficient hydronic radiant floor system are explained in a straight forward and non technical manner.
Radiant floor heating diagram. The second section gets down to the nitty gritty details of actual radiant floor installations. These diagrams show piping diameters and flow direction. The first part contains a general overview of radiant heat and it s various applications.
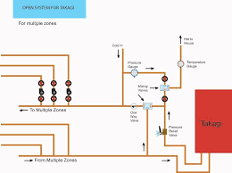
They are designed to help the do it yourselfer diy heating professional or reasonably competent handyperson install radiant heating systems with confidence. They illustrate connections of electrical items but are not intended as wiring. The open direct system takes full advantage of the fact that only warm water is needed for both uses instead of the very hot water that is needed by.
Radiant heating systems warm the building by locating heating tubes within a large surface area of the building such as the floors or ceiling and then circulating warm water through the tubes. The tubing layout is a cad drawing of your floorplan showing the layout of your radiant floor tubing. Use supplementary heat in those rare cases where more than 45 btu s square ft are required or better still invest in energy conservation measures.
The warmlyyours design tool for radiant heating quotes. The graph in fig. Heating outputs greater than 45 btu s per hour cannot be achieved without floor temperatures greater than 90 degrees f.
In this case one leg on the left side of the manifold feeds a baseboard zone with straight 180 degree boiler water. You can use the tool to create and layout a room with the exact measurements and the fixtures of your choice in order to ensure that your quote is as accurate as possible. Radiant floor company can customize a zone manifold to suit any application.
We can create a new floor plan or lay the tubing drawing on top of an existing cad file. Typically 10 of design flow rate yields about 50 of design heat output. Normally these boilers via a heat exchanger are plumbed into a storage back up tank that can take over the task of heating the water when the winter fatigued homeowner flies off to the caribbean and becomes.
Source : pinterest.com