Crossover Floor

Crossover Collection Commercial Carpet Commercial Flooring Commercial Carpet Tiles

Crossover Collection Commercial Carpet Commercial Flooring Commercial Carpet Tiles

Lumina Crossover Blanco 24x48 Polished Porcelain Tile Polished Porcelain Tiles Porcelain Tile Porcelain Floor Tiles

Lumina Crossover Blanco 24x48 Polished Porcelain Tile Polished Porcelain Tiles Porcelain Tile Porcelain Floor Tiles

2013 08 20 Crossover Def Crossover Floor Plans

2013 08 20 Crossover Def Crossover Floor Plans

Great Floor Plans To Suit Multiple Uses Crossover Yachts Luxury Houseboat Cruising Trimaran Luxury Houseboats Utility Boat House Boat

Great Floor Plans To Suit Multiple Uses Crossover Yachts Luxury Houseboat Cruising Trimaran Luxury Houseboats Utility Boat House Boat

What Kind Of Wood Finish Is The Floor Houzz Home My Dream Home Wood Home Decor

What Kind Of Wood Finish Is The Floor Houzz Home My Dream Home Wood Home Decor

Crossover Calculator Good Calculators In 2020 Calculator Crossover Circuit Diagram

Crossover Calculator Good Calculators In 2020 Calculator Crossover Circuit Diagram

Crossover Calculator Good Calculators In 2020 Calculator Crossover Circuit Diagram

Get it as soon as sun oct 4.

Crossover floor. Free shipping by amazon. Crossover floor 20gal 76k vwh price range. Bissell crosswave floor and carpet cleaner with wet dry vacuum 1785a green.

More buying choices 229 99 3 used new offers. Crossover floor 20gal 76k vwh. They are normally 5 floors apart but this is not a perfect world so sometimes they may be less or more than the normal 5 floors.

Crossover floor 20gal 75k vwh price range. A crossover floor or re entry floor as they are sometimes referred to are floors that allow you to exit one stairwell and proceed through a common corridor normally the elevator lobby to the other stairwell. Commercial 40gal 76k vwh.

4 4 out of 5 stars 5 492. In this specific situation the floor is required to be maintained open and free of objects in order to ensure that a person who needs to switch fire stair cases can freely go on the floor to the other staircase. Amazon s choice for bissell crossover.

Crossover Grey Porcelain Tiles 2610 Os6m Gray Porcelain Tile Wood Effect Tiles Porcelain Flooring

Crossover Grey Porcelain Tiles 2610 Os6m Gray Porcelain Tile Wood Effect Tiles Porcelain Flooring

Crossover Nemo Tile Will Help You Realize Your Vision For The Most Beautiful Effective And Functional Environm Wall And Floor Tiles Tile Samples Tile Floor

Crossover Nemo Tile Will Help You Realize Your Vision For The Most Beautiful Effective And Functional Environm Wall And Floor Tiles Tile Samples Tile Floor

Trian Crossover 1 X 2 Porcelain Mosaic Tile Porcelain Mosaic Tile Porcelain Mosaic Mosaic Flooring

Trian Crossover 1 X 2 Porcelain Mosaic Tile Porcelain Mosaic Tile Porcelain Mosaic Mosaic Flooring

Patcraft Crossover Resilient Flooring Resilient Flooring Modular Carpet Tiles Modular Carpet

Patcraft Crossover Resilient Flooring Resilient Flooring Modular Carpet Tiles Modular Carpet

Armstrong Gray Vct Tiles Vct Flooring Vct Tile Flooring

Armstrong Gray Vct Tiles Vct Flooring Vct Tile Flooring

Hip Cross Over Lie Faceup On The Floor With Your Arms Extended At Shoulder Height Palms Facing Up Lift Your Legs And Ben Holiday Workout Workout Plan Fitness

Hip Cross Over Lie Faceup On The Floor With Your Arms Extended At Shoulder Height Palms Facing Up Lift Your Legs And Ben Holiday Workout Workout Plan Fitness

Lumina Crossover Gray 24x48 Polished Porcelain Tile Polished Porcelain Tiles Porcelain Flooring White Porcelain Tile

Lumina Crossover Gray 24x48 Polished Porcelain Tile Polished Porcelain Tiles Porcelain Flooring White Porcelain Tile

Crossover Collection Resilient Flooring Commercial Carpet Tiles Commercial Carpet

Crossover Collection Resilient Flooring Commercial Carpet Tiles Commercial Carpet

Floor Nijdeken Crossover Collective In 2020 Textiel Borduren Diys

Floor Nijdeken Crossover Collective In 2020 Textiel Borduren Diys

Wall Floor Tiles With Marble Effect Sunshine By Pastorelli Loft Interior Design Floor Design Design

Wall Floor Tiles With Marble Effect Sunshine By Pastorelli Loft Interior Design Floor Design Design

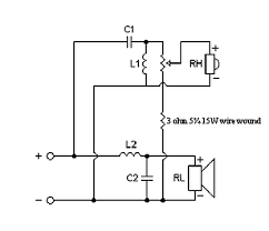
Altec Crossover Schematics Altec Crossover Floor Plans

Altec Crossover Schematics Altec Crossover Floor Plans

Image Result For Parallel Speaker Crossovers Speaker Parallel Crossovers

Image Result For Parallel Speaker Crossovers Speaker Parallel Crossovers

Crossover Collective Floor Nijdeken Crossover Collective Design Produit Design Ameublement

Crossover Collective Floor Nijdeken Crossover Collective Design Produit Design Ameublement

Crossover Pearl Wall And Floor Tile Tile Floor Wall And Floor Tiles Tiles

Crossover Pearl Wall And Floor Tile Tile Floor Wall And Floor Tiles Tiles

Source : pinterest.com